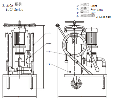
LUCA-63濾油車

LOADING IMAGES
- 型號:
- 品牌:
- 過濾介質:
- 簡介:LUCA-63濾油車產生背景: 液壓技術的現代化導致了液壓系統的超高壓力和大流量、高精度,油液清潔度要求的高低是決定液壓系統是否安全有效運行的關鍵。利特研制的濾油車可以作為液壓系統注入新油過濾的專用設備、定期過濾系統介質中的污染物,幫助延長液壓元件
LUCA-63濾油車產生背景:
液壓技術的現代化導致了液壓系統的超高壓力和大流量、高精度,油液清潔度要求的高低是決定液壓系統是否安全有效運行的關鍵。佳潔寶研制的濾油車可以作為液壓系統注入新油過濾的專用設備、定期過濾系統介質中的污染物,幫助延長液壓元件使用壽命、控制污染程度。
LUCA-63濾油車技術參數:
類型:LUCA-63
工作流量:63L/min
過濾精度:粗過濾精度:100um
一級精過濾精度:80um
二級過濾精度:50um
精過濾精度:3、5、10um
使用介質:BH:一般液壓油;省略:一般液壓油
工作壓力:0.6Mpa
原始壓力損失:≤0.02Mpa
電機功率:1.1kw
電源電壓:AC 380V 50HZ
濾芯材質:省略:紙質;Q:過濾材料為化纖;W:濾材為網式
LUCA-63濾油車外形尺寸:

H:1120mm A::740mm B:500mm
佳潔寶廠家提供相關產品推薦:LUCA-40五級精細濾油車 LUCA-100五級精細濾油車 高精度濾油車
上一篇:LUCA-40五級精細濾油車
下一篇:LYC-150B三級精細濾油車